У меня двигатель А275. ЭБУ Микас12. Евро4-5. ГБО OMVL Dream.
Автомобиль класса Евро 4 или Евро 5.
Задушен наглухо(( Скорее всего понадобится опережение и для бенза на 2 градуса.
Это схема с МИКАС 12.3, у меня МИКАС 12:
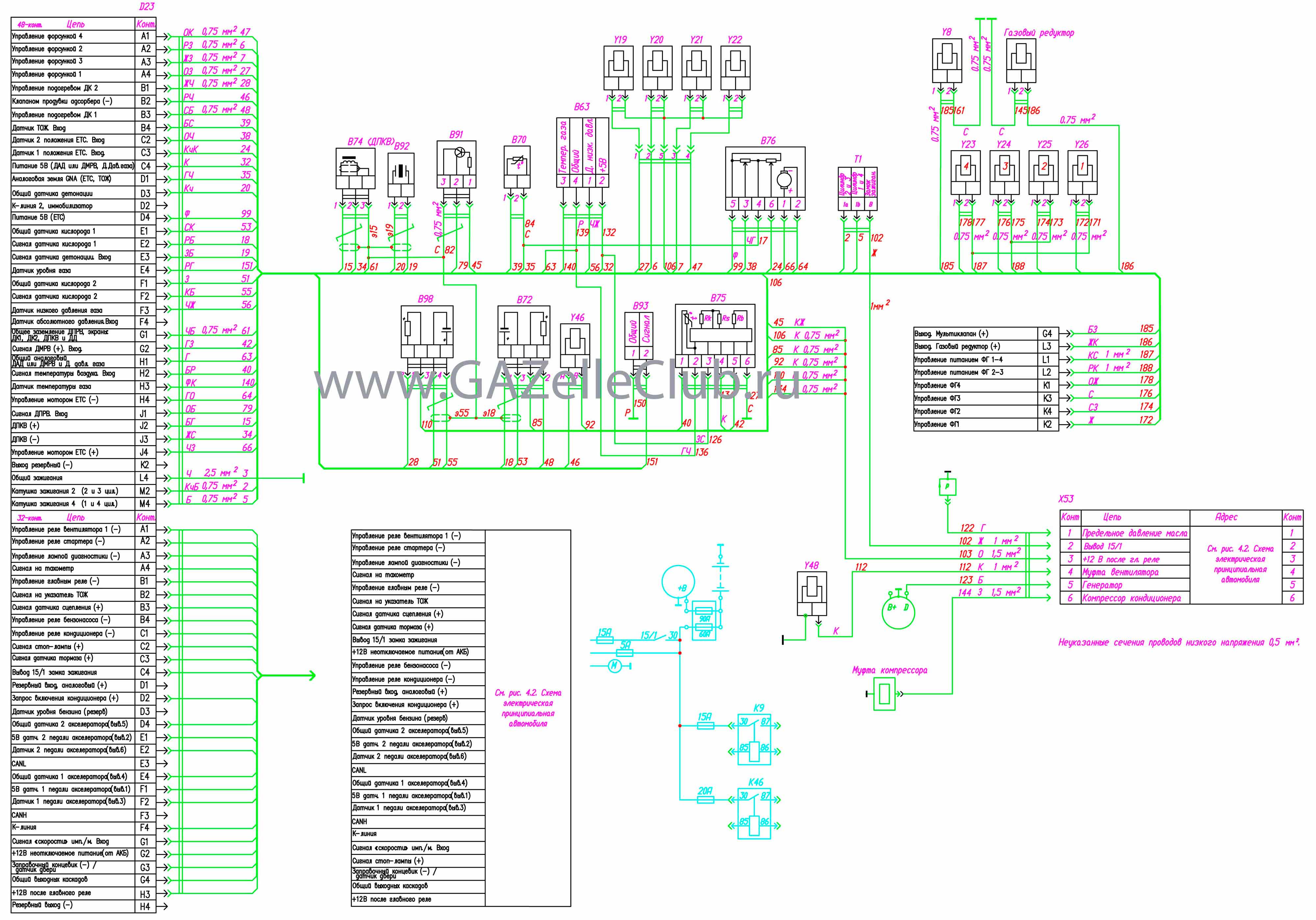
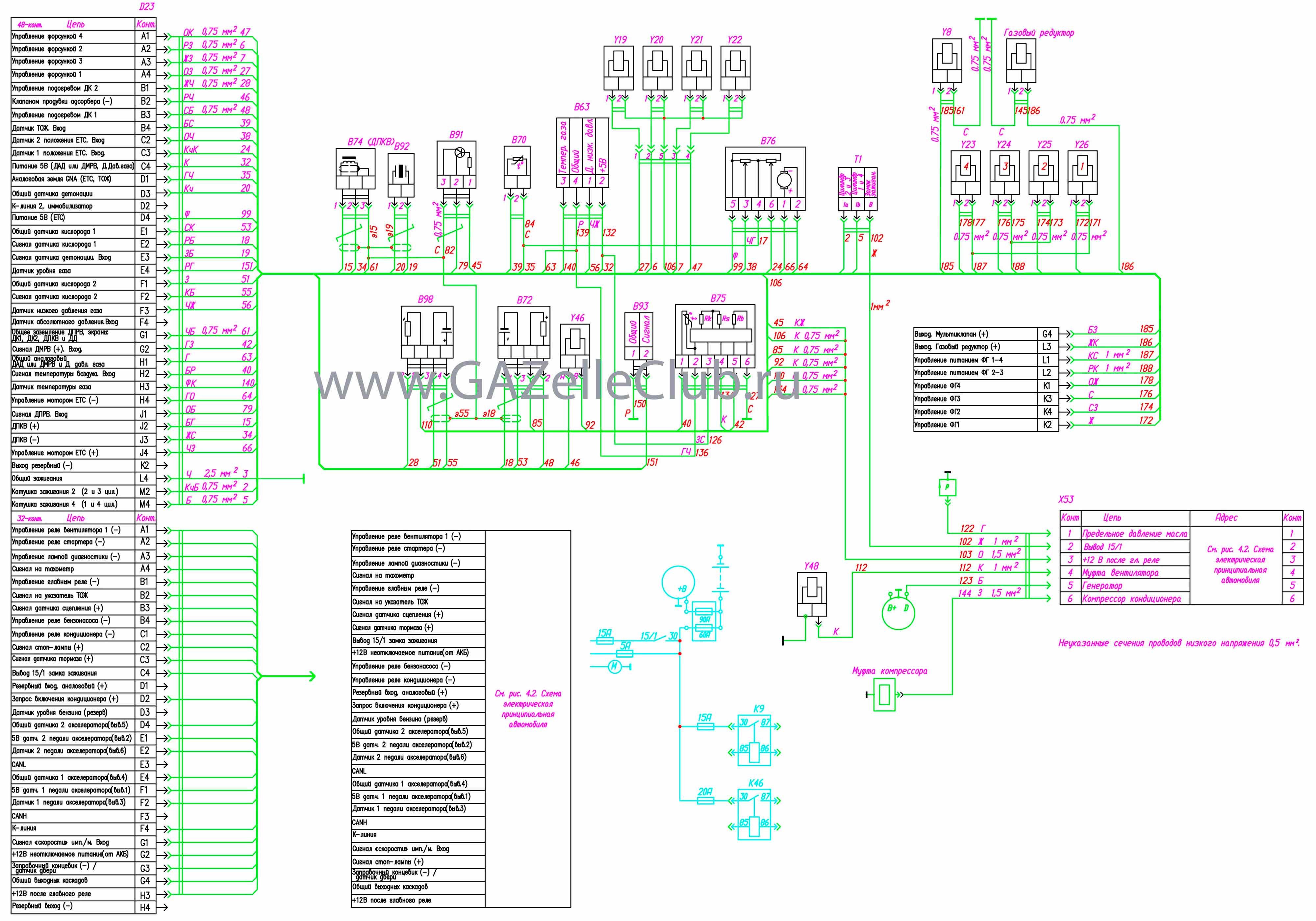
А вот схема управления двигателем УМЗ с ГБО Евро-4:
https://www.gazelleclub.ru/docs/elektro ... evro4.html

- Схема.jpg (616.04 KIB) Просмотров: 102152
В63 - датчик давления и температуры газа;
В70 - датчик температуры охлаждающей жидкости;
В72 - датчик кислорода;
В74 - датчик синхронизации и скорости вращения; В75 - датчик массового расхода воздуха;
В76 - электронный дроссельный узел;
В91 - датчик фазы; В92 - датчик детонации;
В93 - датчик уровня газа;
В97 - датчик неровной дороги;
В98 - датчик кислорода диагностический;
D23 - блок управления;
К9 - реле электробензонасоса;
К46 - главное реле;
Т1 - модуль катушки зажигания;
Y8 - мультиклапан;
Y19, Y20, Y21, Y22 - форсунки электромагнитные;
Y23,Y24,Y25,Y26 - форсунки электромагнитные газовые;
Y46 - клапан продувки адсорбера;
Y48 - муфта электромагнитная отключения вентилятора;
Х53 - колодка соединительная